- Главная
- Оплата
- Контакты и сертификаты
-
Модульные Источники питания
- Диспетчеризация Skov/Bigdutchman
- Разъемы и запасные части
- Управления климатом Air Climatic Control
- Регуляторы Микроклимата
- Датчики аммиака (NH3)
- Платы управления и источники питания
- Датчики дифференциального давления (разряжения)
- Датчики температуры резистивные
- Сервоприводы LUFBERG
ВЫХОД: 0-5В; НАСТЕННЫЙ; ДИАПАЗОН: 0...5000ррм; С АТОМАТИЧЕСКОЙ/РУЧНОЙ КАЛИБРОВКОЙ, С КАБЕЛЕМ
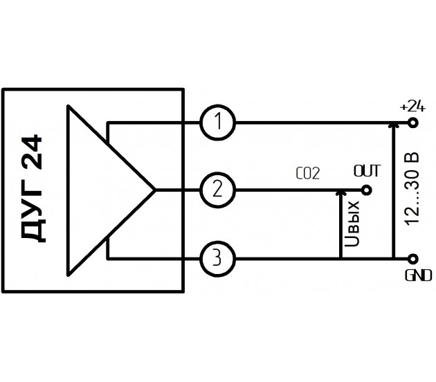
Датчик ДУГ 24.0-5.1.5.А.К предназначен для измерения и непрерывного преобразования значения концентрации углекислого газа в воздухе в аналоговый выходной сигнал напряжения постоянного тока. Датчик предназначен для применения в составе систем управления и контроля микроклимата в сельском хозяйстве и промышленности. С помощью датчиков СО2, которые дают точный показатель концентрации углекислого газа (CO2) в воздухе, возможно более точное управление производительностью вентиляционной системы, в зависимости от заданного максимального значения содержания углекислого газа. При использовании датчика в сельскохозяйственной отрасли можно уменьшить потери тепловой энергии в зимний период, без вреда для поголовья животных и птицы.
Автоматическая калибровка осуществляется ежедневно на минимальное значение содержания СО2 в помещении, поэтому применение датчиков с автоматической калибровкой ограничено, в инкубаторах и птичниках лучше использовать датчики только с Ручной калибровкой!
Благодаря усиленной обработке платы датчика высококачественным лаком и подключение напрямую кабелем (без разъема) возможно использование датчика при относительной влажности до 98%. Специально разработан для использования в гребницах!
Принцип работы. Чувствительный сенсор датчика выполнен по технологии NDIR (не дисперсионный инфракрасный сенсор). На выходе датчика формируется напряжение, прямо пропорциональное концентрации углекислого газа.
Благодаря защитной PTFE мембране возможна работа датчика в условиях высокой влажности воздуха (более 95%)!
Датчики углекислого газа Тип калибровки Автоматическая/ Ручная Точность (при минимальной скорости 1 м/с) ±(40 ppm + 3% С*) *С -измеренная величина Тип сенсора NDIR Выходное напряжение 0…5В Напряжение питания (постоянное) 12…30В Ток нагрузки +/-1мА Время готовности после подачи питания 2 мин. Время установления показаний (Т90) <90с. Исполнение IP54 Рабочая температура 0…+50°С Влажность 0…98%RH Корпус G201MF Материал корпуса Поликарбонат Подключение кабель Концентрация СО2 0…5 000 ppm Ток потребления <150 мА Написать отзыв
Внимание: HTML не поддерживается! Используйте обычный текст.
Оценка: Плохо Хорошо
Введите код, указанный на картинке: