Нашли дешевле? Сделаем скидку! Подробности по телефону +7 (351) 223-08-53
Позвонить

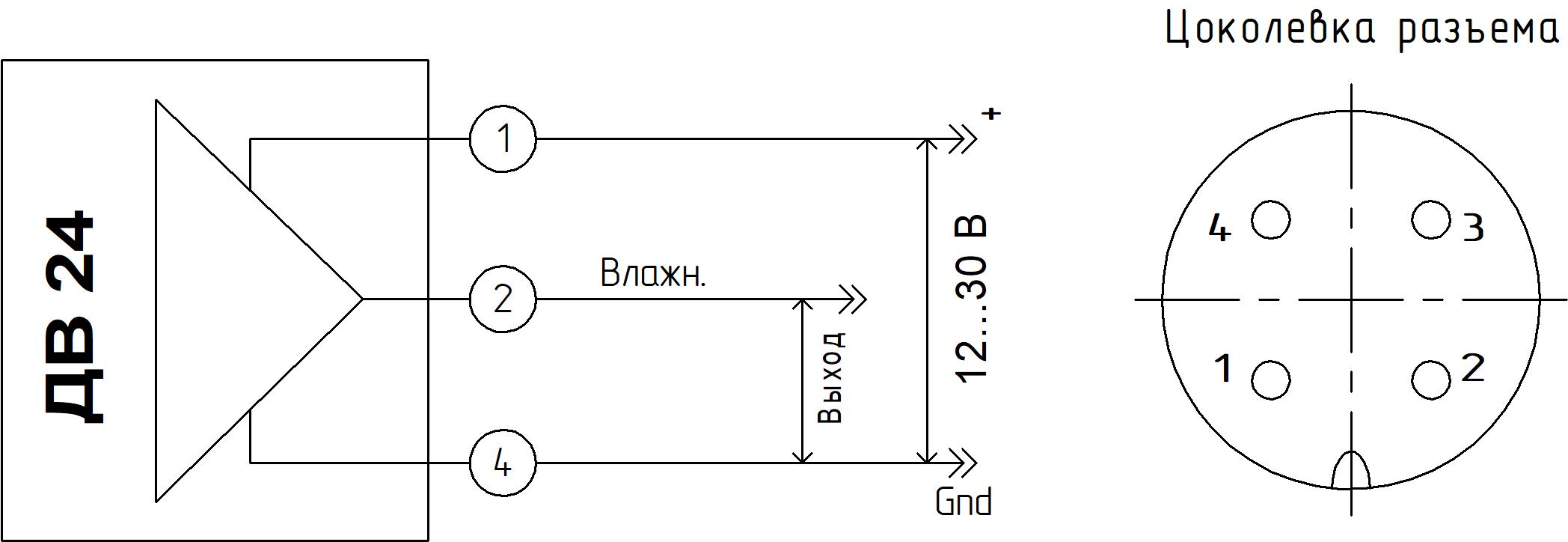
Датчик относительной влажности ДВ 24.0-3.2.Р

Артикул: -4386

Описание

Датчик относительной влажности ДВ 24.0-3.2.Р (с разъемом)

Датчик ДВ 24.0-3.2.Р предназначен для измерения и непрерывного преобразования значения относительной влажности воздуха в аналоговый выходной сигнал напряжения постоянного тока. Датчик предназначен для применения в составе систем управления и контроля микроклимата в сельском хозяйстве и промышленности.

Принцип работы. В датчике в качестве первичного сенсора влажности и температуры используется чувствительный сенсор на емкостном принципе действия. Окружающий воздух к чувствительному сенсору поступает через съемный фильтр датчика. Фильтр предохраняет сенсор от загрязнения. Данные о влажности окружающего воздуха с сенсора поступают в плату обработки данных, и, далее преобразуются в выходные напряжения или ток, пропорционально измеренной сенсором влажности.

Характеристики

Измеряемый параметр Влажность
Напряжение питания, VDC 12...30
Выход датчика 0...3VDC
Тип корпуса Канальный
Ток нагрузки ≤ 20
Диапазон измерения температуры -40 …+60
Время установления выходного сигнала, мин. 2
Диапазон измерения относительной влажности, % RH 0 … 100
Защита выходов от перегрузки и короткого замыкания нагрузки Есть
Защита от переполюсовки напряжения питания Есть
Материал фильтра Нержавеющая сталь или пористый алюминий
Погрешность преобр. относительной влажности, не более,%RH ±3
Собственный ток потребления, не более, мА 10
Способ подключения Разъем
Рабочая температура, оС -40 …+60
Сопротивление нагрузки, Ом ≥ 500
Материал корпуса Поликарбонат, Текаформ
Аналог Rotem RHS-10plus, PSC-RHТS10

Отзывы

Нет оценок
Без оценки
Прикрепить изображение (не более 5 мб)
Помогите другим пользователям с выбором - будьте первым, кто поделится своим мнением об этом товаре.

Как купить

Оформить заказ на сайте просто:

  1. Выберите нужный товар в каталоге

  2. Нажмите кнопку «В корзину»

  3. Перейдите в корзину и оформите заказ

  4. После оформления с вами свяжется наш менеджер для подтверждения деталей, оплаты и доставки

Если потребуется помощь с выбором оборудования или оформлением заказа — мы с радостью вам поможем.

Оплата

Мы предлагаем удобные и прозрачные способы оплаты:

Безналичный расчет
Доступен для физических и юридических лиц. При необходимости возможна работа по договору поставки с предоставлением всех закрывающих документов.

Оплата банковской картой
При самовывозе вы можете оплатить заказ пластиковой картой МИР, VISA или MasterCard или наличными.

Если у вас есть вопросы по оплате или документам — наш менеджер всегда готов проконсультировать вас.

Доставка

Мы предлагаем несколько вариантов получения заказа:

Доставка по Челябинску

  • Стоимость доставки в черте города — 900 ₽

  • Бесплатная доставка оборудования в день монтажа

  • Бесплатная доставка до транспортной компании для отправки в другие регионы

Самовывоз
Удобный, быстрый и бесплатный способ получения заказа.

Адрес:

г. Челябинск, ул.Дегтярева 60А
 

Телефон:
+7(351)223-08-53

Время работы:
ПН–ПТ: 8:30–17:00 (без перерыва)

СБ, ВС: выходной

6 200 ₽ /шт.
-100%
Экономия -6200 ₽
Достаточно
Выбранный вариант — Датчик относительной влажности ДВ 24.0-3.2.Р
Характеристики
Измеряемый параметр Влажность
Напряжение питания, VDC 12...30
Выход датчика 0...3VDC
Тип корпуса Канальный
Ток нагрузки ≤ 20
Диапазон измерения температуры -40 …+60
Цена действительна только для интернет-магазина и может отличаться от цен в розничных магазинах
Нужна консультация?
Наши специалисты ответят на любой интересующий вопрос
Датчик относительной влажности ДВ 24.0-3.2.Р
Датчик относительной влажности ДВ 24.0-3.2.Р
В наличии
6 200 ₽ /шт.
-100%
Экономия -6200 ₽
Ваша корзина пуста
Исправить это просто: выберите в каталоге интересующий
товар и нажмите кнопку «В корзину».
Перейти в каталог
К сожалению, раздел пуст
Исправить это просто: выберите в каталоге интересующий
товар и нажмите кнопку «В избранное».
Перейти в каталог