Датчик относительной влажности ДВ 24.0-1.2.Р (аналог датчик влажности Petersime)

Артикул: -4386

Описание

Датчик относительной влажности воздуха ДВ 24.0-1.2.Р

Датчик ДВ 24.0-1.2.Р, является аналогом датчика влажности для инкубаторов фирмы Petersime, с выходом 0-1V, предназначен для измерения и непрерывного преобразования значения относительной влажности воздуха в аналоговый выходной сигнал напряжения постоянного тока. Датчик предназначен для применения в составе систем управления и контроля микроклимата в сельском хозяйстве и промышленности. 

Принцип работы. В датчике в качестве первичного сенсора влажности и температуры используется чувствительный сенсор на емкостном принципе действия. Окружающий воздух к чувствительному сенсору поступает через съемный фильтр датчика. Фильтр предохраняет сенсор от загрязнения. Данные о влажности окружающего воздуха с сенсора поступают в плату обработки данных, и, далее преобразуются в выходные напряжения или ток, пропорционально измеренной сенсором влажности.

Характеристики

Материал корпуса Поликарбонат, пластик
Время установления выходного сигнала, мин. 2
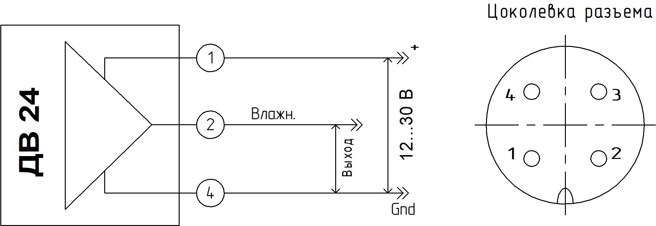
Выходной сигнал преобразования относительной влажности Напряжение 0…1 В 0,01В/ %RH
Диапазон измерения относительной влажности, % RH 0 … 100
Защита выходов от перегрузки и короткого замыкания нагрузки Есть
Защита от переполюсовки напряжения питания Есть
Материал фильтра Нержавеющая сталь или пористый алюминий
Напряжение питания постоянного тока, В 12…30
Погрешность преобр. относительной влажности, не более,%RH ±3
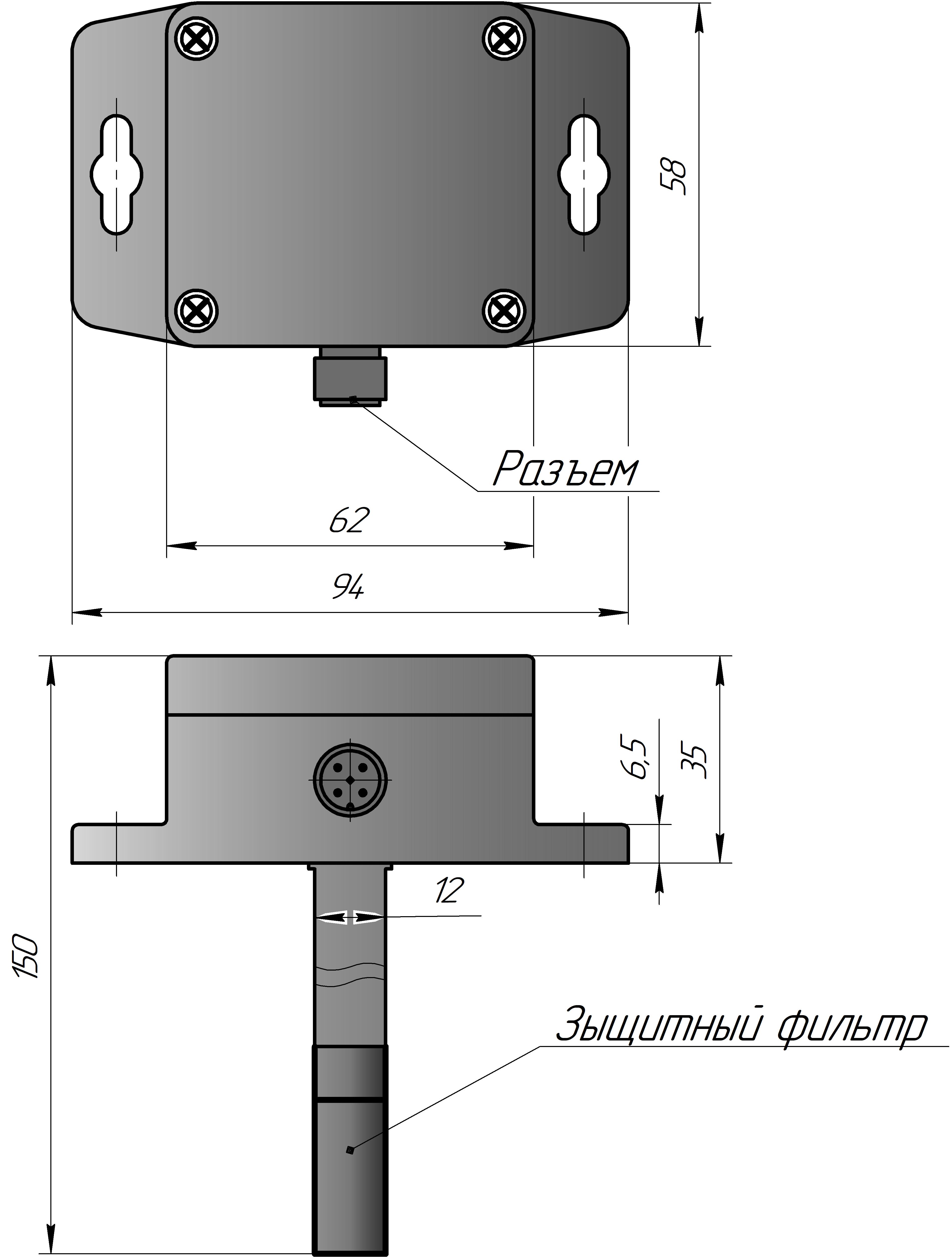
Присоединение: Разъем 4pin, М12х1
Рабочая температура, оС -40 …+60
Собственный ток потребления, не более, мА 10
Сопротивление нагрузки, Ом >= 500
Способ монтажа: Канальный
Степень герметичности по ГОСТ 14254-96 IP65

Отзывы

Нет оценок
Без оценки
Прикрепить изображение (не более 5 мб)
Помогите другим пользователям с выбором - будьте первым, кто поделится своим мнением об этом товаре.

Как купить

Оформить заказ на сайте просто:

  1. Выберите нужный товар в каталоге

  2. Нажмите кнопку «В корзину»

  3. Перейдите в корзину и оформите заказ

  4. После оформления с вами свяжется наш менеджер для подтверждения деталей, оплаты и доставки

Если потребуется помощь с выбором оборудования или оформлением заказа — мы с радостью вам поможем.

Оплата

Мы предлагаем удобные и прозрачные способы оплаты:

Безналичный расчет
Доступен для физических и юридических лиц. При необходимости возможна работа по договору поставки с предоставлением всех закрывающих документов.

Оплата банковской картой
При самовывозе вы можете оплатить заказ пластиковой картой МИР, VISA или MasterCard или наличными.

Если у вас есть вопросы по оплате или документам — наш менеджер всегда готов проконсультировать вас.

Доставка

Мы предлагаем несколько вариантов получения заказа:

Доставка по Челябинску

  • Стоимость доставки в черте города — 900 ₽

  • Бесплатная доставка оборудования в день монтажа

  • Бесплатная доставка до транспортной компании для отправки в другие регионы

Самовывоз
Удобный, быстрый и бесплатный способ получения заказа.

Адрес:

г. Челябинск, ул.Дегтярева 60А
 

Телефон:
+7(351)223-08-53

Время работы:
ПН–ПТ: 8:30–17:00 (без перерыва)

СБ, ВС: выходной

6 200 ₽ /шт.
-100%
Экономия -6200 ₽
Достаточно
Выбранный вариант —
Характеристики
Материал корпуса Поликарбонат, пластик
Время установления выходного сигнала, мин. 2
Выходной сигнал преобразования относительной влажности Напряжение 0…1 В 0,01В/ %RH
Диапазон измерения относительной влажности, % RH 0 … 100
Защита выходов от перегрузки и короткого замыкания нагрузки Есть
Защита от переполюсовки напряжения питания Есть
Цена действительна только для интернет-магазина и может отличаться от цен в розничных магазинах
Нужна консультация?
Наши специалисты ответят на любой интересующий вопрос
Датчик относительной влажности ДВ 24.0-1.2.Р (аналог датчик влажности Petersime)
Датчик относительной влажности ДВ 24.0-1.2.Р (аналог датчик влажности Petersime)
В наличии
6 200 ₽ /шт.
-100%
Экономия -6200 ₽
Ваша корзина пуста
Исправить это просто: выберите в каталоге интересующий
товар и нажмите кнопку «В корзину».
Перейти в каталог
К сожалению, раздел пуст
Исправить это просто: выберите в каталоге интересующий
товар и нажмите кнопку «В избранное».
Перейти в каталог